44+ Gaya Terbaru Rangkaian Lampu Led Dengan Baterai 9v, Lampu Led
Poin pembahasan 44+ Gaya Terbaru Rangkaian Lampu Led Dengan Baterai 9v, Lampu Led adalah :
44+ Gaya Terbaru Rangkaian Lampu Led Dengan Baterai 9v, Lampu Led Beberapa lampu led untuk mengaplikasikan kenyamanan dengan rancangan yang lugas mungkin dapat menginspirasi kamu untuk memberikan model dan desain furniture rumah yang sedang trend. Banyak kalangan baik dari desa maupun perkotaan terutama yang berada di kota metropolitan yang udaranya telah mulai panas memilih lampu led. 44+ Gaya Terbaru Rangkaian Lampu Led Dengan Baterai 9v, Lampu Led Dari sini kami akan menerangkan update mengenai lampu led yang paling trend dan populer. Sebab kenyataan bahwa sesuai dengan perkembangan zaman, desain furniture yang sangat bagus akan membuat lebih menarik. inilah lampu led terbaru yang memiliki desain kekinian saat ini.

Tutorial membuat rangkaian lampu led strobo dengan YouTube Sumber : www.youtube.com

Membuat Lampu Led Dengan Baterai 9 Volt LAMPUTASOR Sumber : lamputasor.blogspot.com

Membuat joule thief untuk menyalakan lampu LED 220 volt Sumber : elektrue.blogspot.com

Rangkaian Joule Thief JT Membuat Lampu JT Dengan Sumber : dionmloto.blogspot.com

Membuat Lampu Led Dengan Baterai 9 Volt LAMPUTASOR Sumber : lamputasor.blogspot.com

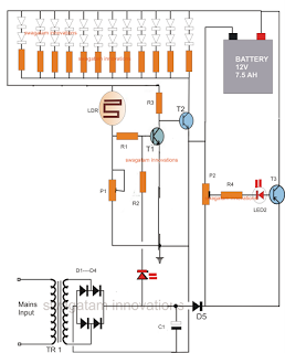
Diagram Lampu Emergency dengan Baterai Kompasiana com Sumber : www.kompasiana.com

Ide Skema Rangkaian Lampu Blitz Led Skema Rangkaian Sumber : komponenmesinn.blogspot.com
rangkaian led 12 volt super terang, rangkaian lampu led 220v, skema lampu led 3 watt, rangkaian lampu led 3 volt, cara merakit lampu led 24 volt, rangkaian lampu led 5 volt, cara menurunkan watt lampu led, membuat rangkaian lampu led untuk penerangan rumah,

Rangkaian Lampu Emergency Menyala Otomatis Dengan Sumber : www.ochid85.com

37 Led bisa nyala hanya dengan 1 baterai 1 5 volt Sumber : kumpulanrangkaianelektronik.blogspot.com

Cara Merakit Led dengan Tegangan 12Volt Pembelajaran Sumber : www.bjgp-rizal.com

Cara Mudah Membuat Rangkaian Flip Flop Sederhana Technical Sumber : duniapekerjaan120597.blogspot.com

Led untuk Tegangan 9V Pembelajaran Online Guru Sumber : www.pinterest.se

Skema Rangkaian Lampu Emergency LED Sederhana Sumber : borjustr.blogspot.com

Membuat Rangkaian Joule Thief dari Lampu Bekas dengan Sumber : www.dadanpurnama.com

Rangkaian Joule Thief JT Membuat Lampu JT Dengan Sumber : www.pinterest.com
rangkaian led 12 volt super terang, rangkaian lampu led 220v, skema lampu led 3 watt, rangkaian lampu led 3 volt, cara merakit lampu led 24 volt, rangkaian lampu led 5 volt, cara menurunkan watt lampu led, membuat rangkaian lampu led untuk penerangan rumah,
44+ Gaya Terbaru Rangkaian Lampu Led Dengan Baterai 9v, Lampu Led Beberapa lampu led untuk mengaplikasikan kenyamanan dengan rancangan yang lugas mungkin dapat menginspirasi kamu untuk memberikan model dan desain furniture rumah yang sedang trend. Banyak kalangan baik dari desa maupun perkotaan terutama yang berada di kota metropolitan yang udaranya telah mulai panas memilih lampu led. 44+ Gaya Terbaru Rangkaian Lampu Led Dengan Baterai 9v, Lampu Led Dari sini kami akan menerangkan update mengenai lampu led yang paling trend dan populer. Sebab kenyataan bahwa sesuai dengan perkembangan zaman, desain furniture yang sangat bagus akan membuat lebih menarik. inilah lampu led terbaru yang memiliki desain kekinian saat ini.

Tutorial membuat rangkaian lampu led strobo dengan YouTube Sumber : www.youtube.com
Membuat Lampu Led Dengan Baterai 9 Volt LAMPUTASOR Sumber : lamputasor.blogspot.com

Membuat joule thief untuk menyalakan lampu LED 220 volt Sumber : elektrue.blogspot.com

Rangkaian Joule Thief JT Membuat Lampu JT Dengan Sumber : dionmloto.blogspot.com
Membuat Lampu Led Dengan Baterai 9 Volt LAMPUTASOR Sumber : lamputasor.blogspot.com

Diagram Lampu Emergency dengan Baterai Kompasiana com Sumber : www.kompasiana.com

Ide Skema Rangkaian Lampu Blitz Led Skema Rangkaian Sumber : komponenmesinn.blogspot.com
rangkaian led 12 volt super terang, rangkaian lampu led 220v, skema lampu led 3 watt, rangkaian lampu led 3 volt, cara merakit lampu led 24 volt, rangkaian lampu led 5 volt, cara menurunkan watt lampu led, membuat rangkaian lampu led untuk penerangan rumah,

Rangkaian Lampu Emergency Menyala Otomatis Dengan Sumber : www.ochid85.com
37 Led bisa nyala hanya dengan 1 baterai 1 5 volt Sumber : kumpulanrangkaianelektronik.blogspot.com
Cara Merakit Led dengan Tegangan 12Volt Pembelajaran Sumber : www.bjgp-rizal.com

Cara Mudah Membuat Rangkaian Flip Flop Sederhana Technical Sumber : duniapekerjaan120597.blogspot.com

Led untuk Tegangan 9V Pembelajaran Online Guru Sumber : www.pinterest.se

Skema Rangkaian Lampu Emergency LED Sederhana Sumber : borjustr.blogspot.com

Membuat Rangkaian Joule Thief dari Lampu Bekas dengan Sumber : www.dadanpurnama.com

Rangkaian Joule Thief JT Membuat Lampu JT Dengan Sumber : www.pinterest.com
Duracell 9V Batteries 9V DC Battery 9V Battery Box Energizer 9V Battery 9V Battery Size Duracell 9 Volt Batteries Baterai 9 Volt 9V Alkaline Battery 9V Battery Capacity Energizer AA Battery Baterai Alkalin 5 Volt Battery Hi Watt 9V Battery 9 Volt Battery Clip Art 1.5V Alkaline Battery 9V Battery Current Baterai 9V HW D LR20 Battery 9 Volt Battery Voltage Types of 9 Volt Batteries Baterai 9V Panasonic Gambar Baterai 9V Baterai 9V Rechargeable Baterias Duracell 9 Volt Transistor Battery Baterias De 9V 9 Volt Battery Symbol Ampere Baterai Alkaline 9V Baterai Kotak Baterai A2 Eneloop Battery Charger Batu Baterai 1 5 V Baterai ABC Besar 9V Baterai Nmax C LR14 1.5 Volt Battery Socket Baterai Baterai A3 Eneloop Baterai Kotak 9V Menjadi USB Ukuran Baterai Baterai 2Xaa Fungsi Baterai 9 V Plug Baterai 9V Tester Schematic Jenis Baterai Kotak
0 Comments